ZY6335 限制短路電流耐受試驗機
充電接口限制短路電流耐受試驗系統符合標準: GB/T 18487.1-2015 電動車輛傳導充電系統的一般要求 GB/T 20234.1-2015 電動汽車傳導充電用連接裝置 第 1 部分:通用要求 GB/T 20234.2-2015電動汽車傳導充電用連接裝置 第 2 部分:交流充電接口 GB/T 20234.3-2015 電動汽車傳導充電用連接裝置 第 3 部分:直流充電 接口 QC/T 841-2010 電動汽車傳導式充電接口 GB 2099.1-2008 家用和類似用途插頭插座 第 1 部分:通用要求 GB/T 11918.1-2014工業用插頭插座和耦合器一般要求
- 適用范圍
- 符合標準
- 主要特點
- 主要參數
- 技術服務
一.充電接口限制短路電流耐受試驗系統符合標準:
GB/T 18487.1-2015 電動車輛傳導充電系統的一般要求
GB/T 20234.1-2015 電動汽車傳導充電用連接裝置 第 1 部分:通用要求
GB/T 20234.2-2015電動汽車傳導充電用連接裝置 第 2 部分:交流充電接口
GB/T 20234.3-2015 電動汽車傳導充電用連接裝置 第 3 部分:直流充電
接口
QC/T 841-2010 電動汽車傳導式充電接口
GB 2099.1-2008 家用和類似用途插頭插座 第 1 部分:通用要求
GB/T 11918.1-2014工業用插頭插座和耦合器一般要求
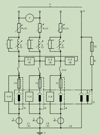
二.充電接口限制短路電流耐受試驗系統主要功能:
1) 裝有由插頭或器具輸入插座操作的整體式開關裝置的任何電器附件應按正常使用要求安裝。
2) 短路保護器件應為作一般用途的符合 GB 13539. 1 和 GB 13539. 2 要求的額定值與插座和配套插頭額定值一樣的"gG"型熔斷器。如果找不到額定電流與受試插座和配套插頭的額定電流一樣的熔斷器,則應改用高一級額定值的熔斷器

